Услуги
Для более ясного понимания вопроса о подключении чиллера следует разделить три зоны в единой системе чиллера. Первая группа оборудования включает потребителей холода, такие как фанкойлы и водяные охладители приточных установок. Их подключение необходимо для более эффективной и удобной работы, а также для регулировки, и включает в себя арматуру и оборудование между гидромодулем и самими потребителями.
Вторая группа - гидромодуль, или насосная станция, и его подключение, которое обеспечивает поставку воды или незамерзающей жидкости. Подключение включает в себя множество регулирующей, предохранительной, запорной и измерительной арматуры, необходимой для надежной и безопасной работы гидромодуля и самого чиллера.
Третья группа - сам чиллер. В систему обвязки чиллера входят различные приборы и оборудование, которые устанавливаются между теплообменником (испарителем) чиллера и гидромодулем. Прежде всего, это запорная и регулирующая арматура. Если чиллер предназначен для использования при более низких температурах охладителя, то вместо воды используется незамерзающая жидкость.
Здесь следует отметить, что система чиллер-потребители может иметь различные конструкции: чиллер с встроенным гидромодулем или чиллер с отдельным гидромодулем. В обоих случаях подключение чиллера практически не зависит от расположения гидромодуля. Единственное отличие состоит в длине трубопроводов, соединяющих гидромодуль с чиллером.
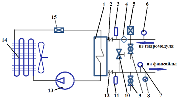
Ниже представлена схема обвязки чиллера, где гидромодуль расположен после фанкойла, но перед испарителем чиллера. Такое расположение считается наиболее удобным и предпочтительным. Расположение чиллера само по себе не влияет на схему подключения, но самым популярным принципом организации холодильного контура является чиллер с воздушным конденсатором. Ниже представлена схема подключения такого чиллера. В максимальной комплектации, подключение чиллера включает позиции 2-12. Позиции 1, 13, 14, 15 составляют сам чиллер.
Однако в зависимости от особенностей работы и пожеланий заказчика, количество оборудования, составляющего подключение чиллера, может быть минимизировано.
Обращайтесь в нашу компанию и мы поможем! Звоните по номеру телефона +7 (495) 151-09-99, либо пишите на почту order@cc-online.ru
Вторая группа - гидромодуль, или насосная станция, и его подключение, которое обеспечивает поставку воды или незамерзающей жидкости. Подключение включает в себя множество регулирующей, предохранительной, запорной и измерительной арматуры, необходимой для надежной и безопасной работы гидромодуля и самого чиллера.
Третья группа - сам чиллер. В систему обвязки чиллера входят различные приборы и оборудование, которые устанавливаются между теплообменником (испарителем) чиллера и гидромодулем. Прежде всего, это запорная и регулирующая арматура. Если чиллер предназначен для использования при более низких температурах охладителя, то вместо воды используется незамерзающая жидкость.
Здесь следует отметить, что система чиллер-потребители может иметь различные конструкции: чиллер с встроенным гидромодулем или чиллер с отдельным гидромодулем. В обоих случаях подключение чиллера практически не зависит от расположения гидромодуля. Единственное отличие состоит в длине трубопроводов, соединяющих гидромодуль с чиллером.
Ниже представлена схема обвязки чиллера, где гидромодуль расположен после фанкойла, но перед испарителем чиллера. Такое расположение считается наиболее удобным и предпочтительным. Расположение чиллера само по себе не влияет на схему подключения, но самым популярным принципом организации холодильного контура является чиллер с воздушным конденсатором. Ниже представлена схема подключения такого чиллера. В максимальной комплектации, подключение чиллера включает позиции 2-12. Позиции 1, 13, 14, 15 составляют сам чиллер.
Однако в зависимости от особенностей работы и пожеланий заказчика, количество оборудования, составляющего подключение чиллера, может быть минимизировано.
- 1- испаритель,
- 2 – запорная арматура,
- 3 - датчик температуры входящей воды в испаритель,
- 4 - фильтр,
- 5 - автоматический воздушный клапан,
- 6 - манометр для воды входящей в испаритель,
- 7 - манометр для воды, выходящей из испарителя,
- 8 - реле протока,
- 9 - точки измерения давления, слив дренажа,
- 10 - байпасная линия,
- 11 - датчик температуры выходящей воды из испарителя,
- 12 - запорная арматура,
- 13 - компрессор,
- 14 - воздушный конденсатор (встроенный или выносной),
- 15 - дросселирующее устройство.












